Tour a Bright Basement ADU Designed for Aging in Place
A designer creates an 800-square-foot home with accessibility, open layouts and flexible living spaces
This once-unfinished street-level basement in a 1932 brick Tudor in Kitsap County, Washington, is now a bright, 800-square-foot accessory dwelling unit built for aging in place. The empty-nest homeowners envisioned a cheerful, wheelchair-accessible home they could live in during construction of a new primary suite, and later offer as a comfortable residence for a family member with impaired vision.
To bring that goal to life, they hired designer Molly Erin McCabe, whose work centers on accessibility, sustainability and long-term livability. Structural upgrades, a streamlined layout and lively furnishings transformed the former basement into a fully functional home with a kitchen, dining area, living room, bedroom and bathroom, and a flex space that serves as an office and a dressing room. Aging-in-place features are integrated throughout, including a zero-threshold entry, wide doorways, a curbless shower, abundant layered lighting and durable, easy-care finishes.
To bring that goal to life, they hired designer Molly Erin McCabe, whose work centers on accessibility, sustainability and long-term livability. Structural upgrades, a streamlined layout and lively furnishings transformed the former basement into a fully functional home with a kitchen, dining area, living room, bedroom and bathroom, and a flex space that serves as an office and a dressing room. Aging-in-place features are integrated throughout, including a zero-threshold entry, wide doorways, a curbless shower, abundant layered lighting and durable, easy-care finishes.
After: McCabe and the homeowners chose durable, low-maintenance materials. The bright kitchen features ample terrazzo-look quartz counters, maple base cabinetry and painted upper cabinets with soft-close doors and drawers. “The maple’s going to be more durable if hit with a walker or wheelchair, but we felt it would be too dark if done throughout,” she says.
A glazed sky-blue ceramic tile backsplash, accented with a multicolored design above the induction cooktop, adds a cheerful touch. A strip of thin orange accent tiles runs throughout the kitchen, to help a family member with impaired vision navigate the space in the future. “The [homeowners] felt the orange accent tiles are a good wayfinding indicator.”
The three-burner induction cooktop is paired with a slim-profile stainless pullout exhaust hood with LED lights, while a speed oven sits to the lower left. “They wanted this kitchen to be highly functional,” McCabe says.
Cabinets: Dura Supreme Cabinetry
Find an interior designer on Houzz
A glazed sky-blue ceramic tile backsplash, accented with a multicolored design above the induction cooktop, adds a cheerful touch. A strip of thin orange accent tiles runs throughout the kitchen, to help a family member with impaired vision navigate the space in the future. “The [homeowners] felt the orange accent tiles are a good wayfinding indicator.”
The three-burner induction cooktop is paired with a slim-profile stainless pullout exhaust hood with LED lights, while a speed oven sits to the lower left. “They wanted this kitchen to be highly functional,” McCabe says.
Cabinets: Dura Supreme Cabinetry
Find an interior designer on Houzz
A 30-inch undermount, 16-gauge stainless workstation sink accommodates large pots and pans, and comes with handy accessories like a basket strainer and an integrated cutting board for easy prep and cleanup. Its motion-activated pull-down faucet makes using it effortless for older people, and the rich oil-rubbed bronze finish adds warmth. A code-compliant egress window above the sink brings in natural light and fresh air from the dug-out window well. A stainless dishwasher sits to the lower right.
Sink: Ruvati; faucet: Arbor in oil-rubbed bronze, Moen
10 Aging-in-Place Features Pros Swear By
Sink: Ruvati; faucet: Arbor in oil-rubbed bronze, Moen
10 Aging-in-Place Features Pros Swear By
Wide pathways extend through and off the living area, supporting easy movement throughout the ADU. “The bathroom has a 36-inch-wide entry door that provides full access for users of mobility devices such as a wheelchair,” McCabe says. Bright white walls and ceilings (White Dove by Benjamin Moore) enhance visibility and create a flexible backdrop for colorful furnishings and art. “The bright colors also help you travel through the space, especially for those who are visually impaired,” McCabe says.
A dining area lies just behind the sofa, with a coat closet tucked behind the door between the dining area and the kitchen (see the “After” floor plan below). A ductless mini-split unit glimpsed on the wall above the dining table heats and cools the room. An open linen closet stands to the left of the bathroom, and the staircase leads to the home’s main level. “A locking door can be installed at the ADU end of the staircase if desired,” McCabe says.
4 ADUs Just Right for Multigenerational Living
A dining area lies just behind the sofa, with a coat closet tucked behind the door between the dining area and the kitchen (see the “After” floor plan below). A ductless mini-split unit glimpsed on the wall above the dining table heats and cools the room. An open linen closet stands to the left of the bathroom, and the staircase leads to the home’s main level. “A locking door can be installed at the ADU end of the staircase if desired,” McCabe says.
4 ADUs Just Right for Multigenerational Living
From the kitchen, this view looks toward the front entry behind the sofa. The glass door and sidelight include built-in blinds for privacy. “This basement has a zero-threshold entry, and you enter right off the street,” McCabe says. “There are no stairs to enter the structure, so anyone using a wheelchair or walker can go in and out easily.”
A corner pocket door opens to a storage closet, and linoleum flooring runs throughout. “It’s highly durable and low-maintenance, so it stands up to a wheelchair,” McCabe says. “We also live in a damp climate, so it’s a good choice for that too.”
Flooring: Marmoleum Linear Striato in Desert Sand, Forbo
See why you should hire a professional who uses Houzz Pro software
A corner pocket door opens to a storage closet, and linoleum flooring runs throughout. “It’s highly durable and low-maintenance, so it stands up to a wheelchair,” McCabe says. “We also live in a damp climate, so it’s a good choice for that too.”
Flooring: Marmoleum Linear Striato in Desert Sand, Forbo
See why you should hire a professional who uses Houzz Pro software
The bathroom includes an open, curbless shower outfitted with multiple grab bars, a fold-down bench and a handheld sprayer. Mosaic porcelain tile flooring is wet-rated for slip resistance. “The grout provides additional traction,” McCabe says. The floors are also heated. “Heated floors dry faster, reducing slip hazards while preventing mold and mildew, which means less cleaning and better indoor air quality,” McCabe says.
Nearby, a combination washer-dryer fits neatly into a niche under the staircase, a cost-effective location made possible by its proximity to the bathroom’s plumbing and drain lines.
25 Home Design Trends Defining How We’ll Live in 2026
Nearby, a combination washer-dryer fits neatly into a niche under the staircase, a cost-effective location made possible by its proximity to the bathroom’s plumbing and drain lines.
25 Home Design Trends Defining How We’ll Live in 2026
The bathroom’s wall-hung lavatory sink provides clear space below for a wheelchair or walker. “The wide ledges on either side of the sink are convenient for keeping grooming products and appliances close at hand,” McCabe says.
An LED-lit mirror above the sink offers task-ready illumination. “There are multiple lighting options that provide the right light level for every task,” McCabe says. Wall-hung storage cabinets flank the sink, with easy-to-spot high-contrast pulls and positioning that ensures equal access for users of all abilities.
10 Bathroom Projects That Deliver Big Results
An LED-lit mirror above the sink offers task-ready illumination. “There are multiple lighting options that provide the right light level for every task,” McCabe says. Wall-hung storage cabinets flank the sink, with easy-to-spot high-contrast pulls and positioning that ensures equal access for users of all abilities.
10 Bathroom Projects That Deliver Big Results
The bathroom also features a two-piece comfort-height elongated toilet with a contemporary skirted trapway. Grab bars mounted on two sides provide added safety and support for someone transferring from a wheelchair, standing or reaching into nearby cabinetry. “The grab bar [on the right] was intended to be used for the toilet as well as to transfer to the shower seat,” McCabe says.
An open cabinet door above one of the grab bars reveals access to the linen closet previously shown in the living room. “There’s LED strip lighting going vertically on each side when you open the cabinet,” McCabe says. “You don’t have to manually operate the light.”
Toilet: Betello, Kohler
An open cabinet door above one of the grab bars reveals access to the linen closet previously shown in the living room. “There’s LED strip lighting going vertically on each side when you open the cabinet,” McCabe says. “You don’t have to manually operate the light.”
Toilet: Betello, Kohler
The cozy bedroom is filled with natural light from an enlarged window overlooking a window well. A former fireplace area that couldn’t be relocated prevented the addition of a traditional closet, but the bedroom opens to an adjacent office and dressing room that includes closet storage (shown below). A white oak handrail, partially visible here on the right, wraps around the corner into the bedroom. “It’s an elegant wayfinding guide,” McCabe says.
New to home remodeling? Learn the basics
New to home remodeling? Learn the basics
The bedroom opens to this private office and dressing room designed for flexibility and everyday function. A desk built from the same cabinetry used in the kitchen combines open and closed storage, while built-in shelves to the left provide additional easy-access storage. The closet includes hanging rods at two heights, along with integrated shoe and clothing shelves. Heating and cooling are provided by the wall-mounted ductless mini-split. “[The room is] also illuminated with an overhead light for enhanced visibility,” McCabe says.
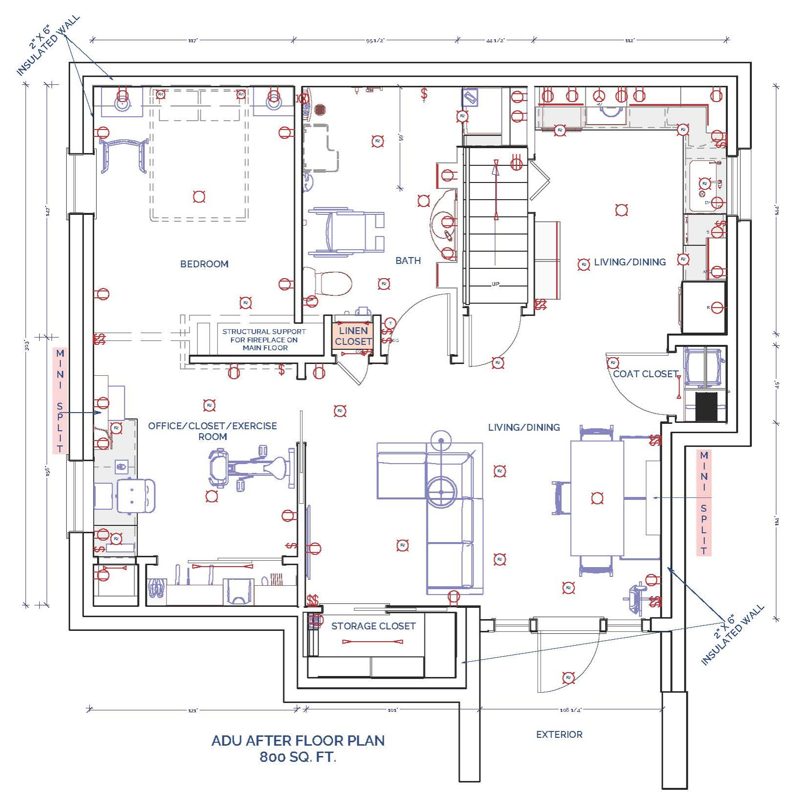
Before: This floor plan shows the original unfinished basement layout, with the street-level entrance at the bottom right and the staircase centered within the space.
After: Aside from extending the new front door by about 1 foot, McCabe designed the fully accessible ADU within the basement’s original footprint. The kitchen sits in the upper right, with the bathroom along the top, the bedroom in the upper left, the office and dressing room in the lower right and the living area at the center. “Accessible dwelling units are being embraced in communities across the country,” McCabe says. “It’s a growing option for affordable housing and an alternative to assisted care.”
More on Houzz
Read more stories
Browse photos for ideas
Find home professionals
More on Houzz
Read more stories
Browse photos for ideas
Find home professionals
















ADU at a Glance
Who lives here: An empty-nest couple
Location: Kipsap County, Washington
Size: 800 square feet (74 square meters)
Designer: Molly Erin McCabe of McCabe by Design
Builder: Bryce Whisnant of Fine Line Carpentry
Before: Here’s a look at the southeast corner of the basement, where the kitchen was always planned to be, McCabe says. “The kitchen for the main house is located right above it, so the plumbing and utilities could be shared and make the build-out more economical,” she says.
The renovation began with grinding and sealing the original concrete floor to level it as much as possible, maximizing the ceiling height to meet the 7-foot-minimum code requirement. Some of the floor was jackhammered to reroute the original waste drain, creating connections for the new shower and other plumbing. McCabe also added an interior perimeter framing wall with insulation, boosting the space’s energy efficiency.